English
Español
Português
русский
Français
日本語
Deutsch
tiếng Việt
Italiano
Nederlands
ภาษาไทย
Polski
한국어
Svenska
magyar
Malay
বাংলা ভাষার
Dansk
Suomi
हिन्दी
Pilipino
Türkçe
Gaeilge
العربية
Indonesia
Norsk
تمل
český
ελληνικά
український
Javanese
فارسی
தமிழ்
తెలుగు
नेपाली
Burmese
български
ລາວ
Latine
Қазақша
Euskal
Azərbaycan
Slovenský jazyk
Македонски
Lietuvos
Eesti Keel
Română
Slovenski
मराठी
Srpski језик
उत्पाद की विशेषताएँ
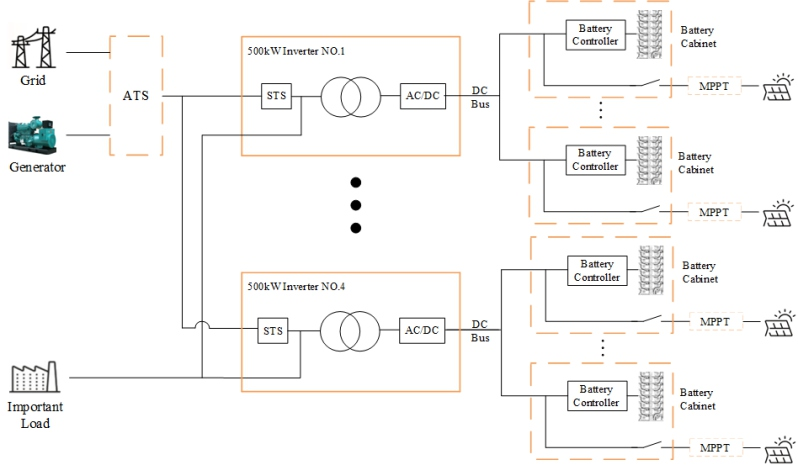
1.500 किलोवाट से अधिक भार के लिए, बड़ी क्षमता वाले 500 किलोवाट एकल-इकाई ऊर्जा भंडारण इन्वर्टर का उपयोग करने की सिफारिश की जाती है, जो समानांतर कनेक्शन के चार सेटों का समर्थन करने में सक्षम हैं, 2 मेगावाट का कुल बिजली उत्पादन प्राप्त करते हैं;
2. समानांतर में कई 500 किलोवाट सिस्टम संचालित करते समय और विभिन्न 500 किलोवाट इनवर्टर में एसटीएस वितरित करते समय, यह सुनिश्चित करना महत्वपूर्ण है कि ग्रिड टाई-पॉइंट से लोड टाई-पॉइंट तक केबल की लंबाई सुसंगत है;
3. हाइब्रिड ईएसएस डीसी-युग्मित फोटोवोल्टिक एकीकरण को नियोजित करता है, उच्च ऊर्जा रूपांतरण दक्षता प्राप्त करता है और पीवी उत्पादन क्षमता लोड मांग से अधिक होने पर ऑफ-ग्रिड परिदृश्यों के लिए अनुकूलित होता है; आउटडोर-रेटेड एमपीपीटी
नियंत्रक कंबाइनर और एमपीपीटी कार्यात्मकताओं को एक ही कठोर बाड़े में एकीकृत करते हैं। संपूर्ण प्रणाली में एक डीजल जनरेटर एटीएस विकल्प, एक 300 किलोवाट हाइब्रिड इन्वर्टर, पीवी एमपीपीटी नियंत्रक और एक बैटरी शामिल है
ऊर्जा भंडारण प्रणाली.


विनिर्देश
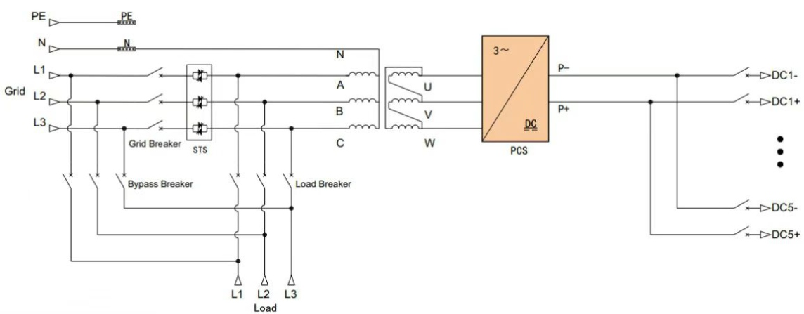
| मॉडल | P500TS-400-ए | |
|
डीसी-साइड पैरामीटर |
वोल्टेज रेंज | 500-950V |
| अधिकतम धारा | 1128ए | |
| रेटेड आउटपुट पावर | 500 किलोवाट | |
|
एसी-साइड पैरामीटर (ग्रिड से जुड़ा) |
अधिकतम उत्पादन शक्ति | 550 किलोवाट |
| रेटेड आउटपुट करंट | 722ए | |
| टी.एच.डी.आई | <3% | |
| ग्रिड प्रकार | 3W+N+PE | |
| वोल्टेज रेंज | 360VAC~440VAC | |
| आवृति सीमा | 45~55हर्ट्ज/55~65हर्ट्ज | |
| ऊर्जा घटक | -1~1 | |
| रेटेड आउटपुट पावर | 500 किलोवाट | |
|
एसी साइड पैरामीटर (ग्रिड बंद करें) |
रेटेड आउटपुट वोल्टेज | 400V |
| रेटेड आउटपुट आवृत्ति | 50/60हर्ट्ज़ | |
| टीएचडीयू | <1%रैखिक भार,<5%गैर-रेखीय भार | |
| अधिभार क्षमता | 110%10 मिनट | |
| रखरखाव बायपास स्विच | 1250ए | |
|
ऑफ-ग्रिड स्विच और कॉन्फ़िगरेशन स्विच करें |
डीसी स्विच | 1250ए |
| लोड स्विच | 1250ए | |
| ग्रिड स्विच | 1250ए | |
| एसटीएस इकाई | 1155ए/800 किलोवाट | |
| समय बदलना | <20ms | |
|
सिस्टम पैरामीटर |
चरम दक्षता | 97.5% |
| परिचालन तापमान | -30 ~ 55 ℃ (40 ℃ से ऊपर व्युत्पन्न) | |
| सापेक्षिक आर्द्रता | 0 से 95% आरएच, गैर-संघनक | |
| आयाम(एल*डी*एच) | 1600×1050×2050मिमी | |
| वज़न | 2700 किग्रा | |
| आईपीग्रेड | IP21 IP21(पूर्ण मशीन) | |
| शोर | <70dB | |
| प्रदर्शन स्क्रीन | एलसीडी | |
| बीएमएस संचार | कर सकना | |
| ईएमएस संचार | टीसीपी/आईपी | |