English
Español
Português
русский
Français
日本語
Deutsch
tiếng Việt
Italiano
Nederlands
ภาษาไทย
Polski
한국어
Svenska
magyar
Malay
বাংলা ভাষার
Dansk
Suomi
हिन्दी
Pilipino
Türkçe
Gaeilge
العربية
Indonesia
Norsk
تمل
český
ελληνικά
український
Javanese
فارسی
தமிழ்
తెలుగు
नेपाली
Burmese
български
ລາວ
Latine
Қазақша
Euskal
Azərbaycan
Slovenský jazyk
Македонски
Lietuvos
Eesti Keel
Română
Slovenski
मराठी
Srpski језик |
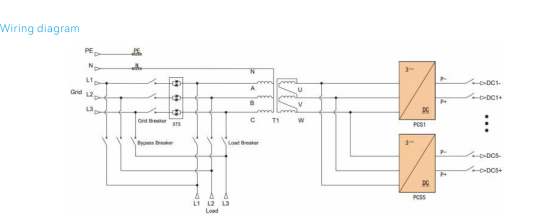
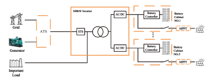
विशेषता सिस्टम समानांतर कॉन्फ़िगरेशन में मॉड्यूलर इन्वर्टर इकाइयों का उपयोग करता है, जहां प्रत्येक इन्वर्टर मॉड्यूल का डीसी इनपुट एक समर्पित बैटरी कैबिनेट से मेल खाता है, प्रति-क्लस्टर प्रबंधन को बीच में प्रसारित धाराओं को खत्म करने में सक्षम बनाना बैटरी तार. एसी/डीसी पावर मॉड्यूल मात्रा और दोनों में लचीली तैनाती का समर्थन करते हैं पावर रेटिंग, 5-यूनिट समानांतर में 60 किलोवाट मॉड्यूल की अधिकतम क्षमता के साथ विन्यास। पावर मॉड्यूल से एसी आउटपुट एक ट्रांसफार्मर के माध्यम से वितरित किया जाता है पृथक आउटपुट चरण, मजबूत प्रतिरोध के साथ लोड को बिजली की आपूर्ति करता है वर्तमान झटका. हाइब्रिड ईएसएस उच्च उपलब्धि प्राप्त करते हुए डीसी-युग्मित फोटोवोल्टिक एकीकरण को नियोजित करता है ऊर्जा रूपांतरण दक्षता और पीवी के साथ ऑफ-ग्रिड परिदृश्यों के लिए अनुकूलित उत्पादन क्षमता भार मांग से अधिक है; आउटडोर-रेटेड एमपीपीटी नियंत्रक कंबाइनर और एमपीपीटी कार्यात्मकताओं को एक ही कठोर बाड़े में एकीकृत करें। संपूर्ण प्रणाली में एक डीजल जनरेटर एटीएस विकल्प, एक 300 किलोवाट हाइब्रिड शामिल है इन्वर्टर, पीवी एमपीपीटी नियंत्रक, और एक बैटरी ऊर्जा भंडारण प्रणाली।
विशेषता सिस्टम समानांतर कॉन्फ़िगरेशन में मॉड्यूलर इन्वर्टर इकाइयों का उपयोग करता है, जहां प्रत्येक इन्वर्टर मॉड्यूल का डीसी इनपुट एक समर्पित बैटरी कैबिनेट से मेल खाता है, प्रति-क्लस्टर प्रबंधन को बीच में प्रसारित धाराओं को खत्म करने में सक्षम बनाना बैटरी तार. एसी/डीसी पावर मॉड्यूल मात्रा और दोनों में लचीली तैनाती का समर्थन करते हैं पावर रेटिंग, 5-यूनिट समानांतर में 60 किलोवाट मॉड्यूल की अधिकतम क्षमता के साथ विन्यास। पावर मॉड्यूल से एसी आउटपुट एक ट्रांसफार्मर के माध्यम से वितरित किया जाता है पृथक आउटपुट चरण, मजबूत प्रतिरोध के साथ लोड को बिजली की आपूर्ति करता है वर्तमान झटका. हाइब्रिड ईएसएस उच्च उपलब्धि प्राप्त करते हुए डीसी-युग्मित फोटोवोल्टिक एकीकरण को नियोजित करता है ऊर्जा रूपांतरण दक्षता और पीवी के साथ ऑफ-ग्रिड परिदृश्यों के लिए अनुकूलित उत्पादन क्षमता भार मांग से अधिक है; आउटडोर-रेटेड एमपीपीटी नियंत्रक कंबाइनर और एमपीपीटी कार्यात्मकताओं को एक ही कठोर बाड़े में एकीकृत करें। संपूर्ण प्रणाली में एक डीजल जनरेटर एटीएस विकल्प, एक 300 किलोवाट हाइब्रिड शामिल है इन्वर्टर, पीवी एमपीपीटी नियंत्रक, और एक बैटरी ऊर्जा भंडारण प्रणाली।
विशेष विवरण |
|||||
| मॉडल | P200TS-400-ए | P250TS-400-ए | P300TS-400-ए | ||
|
डीसी-साइड पैरामीटर |
वोल्टेज रेंज | 650-950Vdc | |||
| प्रति-मॉड्यूल इनपुट स्विच | 250ए | ||||
| डीसी चैनलों की संख्या | 3 रास्ता | 4 तरफा | 5 रास्ता | ||
|
एसी-साइड पैरामीटर (ग्रिड से जुड़ा) |
रेटेड आउटपुट पावर | 200 किलोवाट | 250 किलोवाट | 300 किलोवाट | |
| अधिकतम उत्पादन शक्ति | 220 किलोवाट | 275 किलोवाट | 330 किलोवाट | ||
| रेटेड आउटपुट करंट | 289ए | 361ए | 433ए | ||
| टी.एच.डी.आई | <3% | ||||
| ग्रिड प्रकार | 3W+N+PE | ||||
| वोल्टेज रेंज | 360Vac~440Vac | ||||
| आवृति सीमा | 45~55हर्ट्ज/55~65हर्ट्ज | ||||
| ऊर्जा घटक | -1~1 | ||||
|
द्वीपयुक्त एसी-साइड पैरामीटर |
रेटेड आउटपुट पावर | 200 किलोवाट | 250 किलोवाट 300 किलोवाट | ||
| रेटेड आउटपुट वोल्टेज | 400Vac | ||||
| रेटेड आउटपुट आवृत्ति | 50/60हर्ट्ज़ | ||||
| टीएचडीयू | <1% रैखिक, <5% अरैखिक<1% रैखिक, <5% अरैखिक | ||||
| अधिभार क्षमता | 10 मिनट के लिए 110% ओवरलोड10 मिनट के लिए 110% ओवरलोड | ||||
|
ग्रिड-आइलैंडिंग स्थानांतरण और स्विचगियर |
रखरखाव बायपास स्विच | 400ए | 630ए | ||
| ग्रिड स्विच | 630ए | 800ए | |||
| लोड स्विच | 400ए | 630ए | |||
| एसटीएस इकाई | 577ए/400 किलोवाट | 722A/500kW | |||
| समय बदलना | <20ms | ||||
|
सिस्टम पैरामीटर |
चरम दक्षता | 97.5% | |||
| परिचालन तापमान | -30~55℃-30~55℃(40℃ से ऊपर व्युत्पन्न) | ||||
| सापेक्षिक आर्द्रता | 0~95%आरएच,0~95%आरएच, गैर-संघनक | ||||
| आयाम(एल*डी*एच) | 1300×1050×2050मिमी | ||||
| वज़न | 1400 किलो | 1700 किग्रा 1800 किग्रा | |||
| आईपीग्रेड | IP21 IP21(पूर्ण सेट) | ||||
| शोर | <70dB | ||||
| प्रदर्शन स्क्रीन | एलसीडी टच-स्क्रीन | ||||
| बीएमएस संचार | कर सकना | ||||
| ईएमएस संचार | टीसीपी/आईपी | ||||