English
Español
Português
русский
Français
日本語
Deutsch
tiếng Việt
Italiano
Nederlands
ภาษาไทย
Polski
한국어
Svenska
magyar
Malay
বাংলা ভাষার
Dansk
Suomi
हिन्दी
Pilipino
Türkçe
Gaeilge
العربية
Indonesia
Norsk
تمل
český
ελληνικά
український
Javanese
فارسی
தமிழ்
తెలుగు
नेपाली
Burmese
български
ລາວ
Latine
Қазақша
Euskal
Azərbaycan
Slovenský jazyk
Македонски
Lietuvos
Eesti Keel
Română
Slovenski
मराठी
Srpski језик
उत्पाद विशेषतातों
1, डीसी पीढ़ी और डीसी भंडारण, अधिक दक्षता और कम हानि, जो पीवी के लिए उपयुक्त है और भंडारण शक्ति अधिक है
लोड पावर ऑफ-ग्रिड परिदृश्यों की तुलना में;
2, IP65 सुरक्षा, बाहरी उपयोग को पूरा करना। निकटवर्ती एमपीपीटी अभिसरण आउटपुट को बढ़ावा देता है, जो वायरिंग को रोकने में मदद करता है
ऑल-इन-वन सिस्टम में लंबी दूरी तक प्रसारित होने वाले कई फोटोवोल्टिक (पीवी) केबलों के कारण होने वाला भ्रम।
3, फोटोवोल्टिक इनपुट की 200-900V विस्तृत वोल्टेज रेंज, उद्योग के उच्च-वर्तमान फोटोवोल्टिक मॉड्यूल पहुंच का समर्थन करती है।
4、मल्टी-चैनल एमपीपीटी, पीवी पैनल मल्टी-एंगल से मिलना
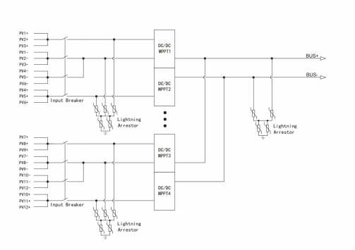
वायरिंग का नक्शा

विनिर्देश
| मॉडल | एमपीपीटी-8 | एमपीपीटी-6 | एमपीपीटी-12 | |
| पीवी-साइड इंटरफ़ेस पैरामीटर |
अधिकतम पीवी सरणी वोल्टेज | 900V | ||
| एमपीपीटी वोल्टेज रेंज | 200V-900V | |||
| रेटेड एमपीपीटी वोल्टेज रेंज | 560V-900V | |||
| अधिकतम शाखा धारा | 24ए | 20ए | ||
| पीवी इनपुट स्ट्रिंग संख्या | 8 | 6 | 12 | |
| एमपीपीटी की संख्या | 8 | 2 | 4 | |
| वर्तमान प्रति एमपीपीटी | 20ए | 55ए | ||
| आउटपुट पैरामीटर्स | वोल्टेज रेंज | 600-950V | ||
| रेटेड वोल्टेज | डिफ़ॉल्ट 716.8V, समायोज्य | |||
| रेटेड आउटपुट करंट | 118ए | 84ए | 168ए | |
| रेटेड आउटपुट पावर | 84 किलोवाट | 60 किलोवाट | 120 किलोवाट | |
| अधिकतम आउटपुट करंट | 192ए | 120ए | 240ए | |
| सिस्टम पैरामीटर्स | यूरोपीय संघ | 99.4% | ||
| आईपी ग्रेड | आईपी65 | |||
| शीतलन अवधारणा | प्राकृतिक संवहन | ज़बरदस्ती हवा को ठंडा करना | ||
| आयाम(डब्ल्यू*डी*एच) | 550x530x280मिमी | 630×460×260मिमी | 630×460×260मिमी | |
| वज़न | 42 किग्रा | 25 किलो | 30 किलो | |
| परिचालन तापमान | -30~55℃ | |||
| बिजली आपूर्ति मोड | स्वयं संचालित (रात में बिजली की खपत के बिना) | |||
| संचार इंटरफेस | 485 रुपये | |||
